Détails
Configurable
Produit configurable
Faites plus que combiner des produits. Configurez l'entraînement en fonction de vos besoins.
DCX 26 L Ø26 mm, balais en graphite, roulement à billes
| Barème | Quantité | Prix unitaire |
|---|---|---|
| Prix hors TVA, frais d'expédition en sus | 1-4 | 267,99 €* |
| 5-19 | 233,78 €* | |
| 20-49 | 199,47 €* | |
| de 50 | Sur demande |
Spécifications
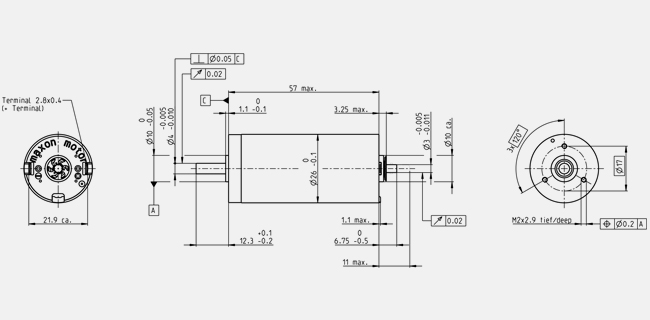
Illustrations techniques
- Schéma coté
Information: Drawings are not in scale.
| Valeurs à tension nominale | |
| Tension nominale | 60 V |
| Vitesse à vide | 10900 rpm |
| Courant à vide | 27.3 mA |
| Vitesse nominale | 10000 rpm |
| Couple nominal (couple max. permanent) | 60.1 mNm |
| Courant nominal (courant permanent max.) | 1.17 A |
| Couple de démarrage | 750 mNm |
| Courant de démarrage | 14.3 A |
| Rendement max. | 91 % |
| Caractéristiques | |
| Résistance aux bornes | 4.19 Ω |
| Inductance aux bornes | 0.768 mH |
| Constante de couple | 52.4 mNm/A |
| Constante de vitesse | 182 rpm/V |
| Pente vitesse/couple | 14.6 rpm/mNm |
| Constante de temps mécanique | 3.16 ms |
| Moment d'inertie du rotor | 20.7 gcm² |
| Caractéristiques thermiques | |
| Résistance therm. boîtier/air ambiant | 10.2 K/W |
| Résistance therm. bobinage/boîtier | 3.01 K/W |
| Constante de temps therm. bobinage | 23.2 s |
| Constante de temps therm. moteur | 620 s |
| Température ambiante | -40...+100 °C |
| Température max. du bobinage | +155 °C |
| Caractéristiques mécaniques | |
| Type de palier/roulement | Waelzlager |
| Vitesse maximale admissible | 14400 rpm |
| Jeu axial | 0 mm, avec charge radiale < 5.5 N |
| 0.1 mm, avec charge radiale > 5.5 N | |
| Jeu radial | 0.02 mm |
| Charge axiale max. (dynamique) | 5.5 N |
| Force de chassage axiale max. (statique) | 40 N |
| (statique, arbre maintenu) | 500 N |
| Charge radiale max. | 20.5 N, 5 mm à partir du flasque |
| Autres caractéristiques | |
| Nombre de paires de pôles | 1 |
| Nombre segments de collecteur | 11 |
| Nombre de cycles de stérilisation | 0 |
| Produit | |
| Poids | 170 g |
Description
Les moteurs maxon DCX convainquent par leur densité de puissance inégalée (couple par volume) ainsi que par le silence absolu de leur fonctionnement. La construction robuste combinée avec le bobinage sans fer breveté au niveau mondial confère aux moteurs DCX un dynamisme exceptionnel dans presque toutes les situations.Le DCX 26 L est un concentré de performances. Des roulements à billes précontraints ou des paliers frittés, des balais en graphite ou en métal précieux avec fonction CLL assurent une base d'utilisation étendue à ce moteur.
